Progetto di realizzazione capannone industriale
e palazzina uffici
COMMITTENTE:
VIBROCEMENTO VENETA SPA
OPERA:
NUOVO STABILIMENTO PRODUTTIVO BAXTER SPA
TIPOLOGIA DELL’INCARICO E IMPORTO:
- PROGETTAZIONE IMPIANTI ELETTRICI, MECCANICI
- DIREZIONE AI LAVORI IMPIANTI TECNOLOGICI
- SUPERFICIE DEL CAPANNONE: 18500mq
- IMPORTO DEI LAVORI IMPIANTI TECNOLOGICI : € 2.000.000,00
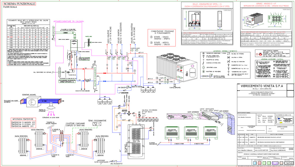
STATO DI PROGETTO – SCHEMA FUNZIONALE
Il progetto ha previsto la realizzazione di un sito BAXTER, multinazionale che lavora nella produzione e distribuzione di prodotti farmaceutici.

STATO DI PROGETTO – DESCRIZIONE TIPOLOGIA IMPIANTI REALIZZATI – MECCANICI
L’ impianto di climatizzazione degli uffici è stato realizzato con il Sistema Idronico a 2 tubi.

STATO DI PROGETTO – DESCRIZIONE TIPOLOGIA IMPIANTI REALIZZATI – IMPIANTI ELETTRICI
L’ impianto elettrico è stato dotato di tutti i componenti domotici necessari per un controllo molto spinto, è stato realizzato un sistema di Building Automation
completo dal controllo della Climatizzazione, TVCC, controllo Accessi, Antintrusione, Rilevazione Fumi, Illuminazione.
completo dal controllo della Climatizzazione, TVCC, controllo Accessi, Antintrusione, Rilevazione Fumi, Illuminazione.
